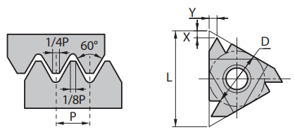
Пластина 22IR4.50ISO QP5120 DEREK
Пластины для наружной метрической резьбы по ГОСТ 8724–2002, ISO 261–1998;
ГОСТ 9150-2002, ISO 68-1-1998; ГОСТ 24705-2004, ISO 724-1993;
DIN 13–1–28–1975–2005


Нет вопросов о данном товаре, станьте первым и задайте свой вопрос.
Сроки доставки заказа зависят от наличия товаров на складе. Если в момент оформления заказа все выбранные товары есть в наличии, то мы доставим заказ в течение 1 – 2 недель, в зависимости от удаленности Вашего региона. Если заказываемый товар отсутствует на складе, то максимальный срок доставки заказа может составить 8 недель. Но мы стараемся доставлять заказы клиентам как можно быстрее, и 90% заказов клиентов отправляются в течение первых 3 недель. В случае, если часть товаров из Вашего заказа через 3 недели не поступила на склад, мы отправим все имеющиеся в наличии товары, а затем за наш счет дошлем Вам оставшуюся часть заказа.
Способы оплаты:
Интернет-магазин – сайт имеющий адрес в сети Интернет. Товар – продукция, представленная к продаже в интернет-магазине. Клиент – разместившее Заказ физическое или юридическое лицо. Заказ – оформленный должным образом запрос Клиента на покупку Товара. Транспортная компания – третье лицо, оказывающее услуги по доставке Товаров Клиента